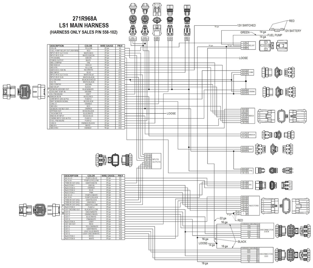
Holley 558-102: 558-102 Main Harness for GM LS1, LS6 Engines w/Holley HP or Dominator EFI (24X Crank Reluctor)

https://eltopospeedshop.com/web/image/product.template/12378/image_1920?unique=9a689e7

LS1/LS6
Main Engine Harness Fits 1997-2004 GM LS1, LS6 Engines For Holley HP or Dominator EFI 24X Crankshaft Reluctor 4X Camshaft Sensor Length 72 in. Plug-and-Play

652,44 652.44 USD 652,44

Not Available For Sale

Esta combinación no existe.

ENGINES CHEVROLET Holley

Términos y condiciones
Garantía de devolución de 30 días
Envío: 2-3 días laborales