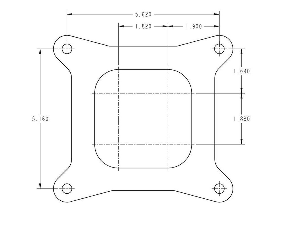
Quick Fuel SS-780-VS: SS 780 CFM Carburetor Electric Choke
Vacuum Secondary SS Carburetors
SS 780 CFM Carburetor Electric Choke Down Leg Boosters Vacuum Secondary
Vacuum Secondary SS Carburetors
SS 780 CFM Carburetor Electric Choke Down Leg Boosters Vacuum Secondary