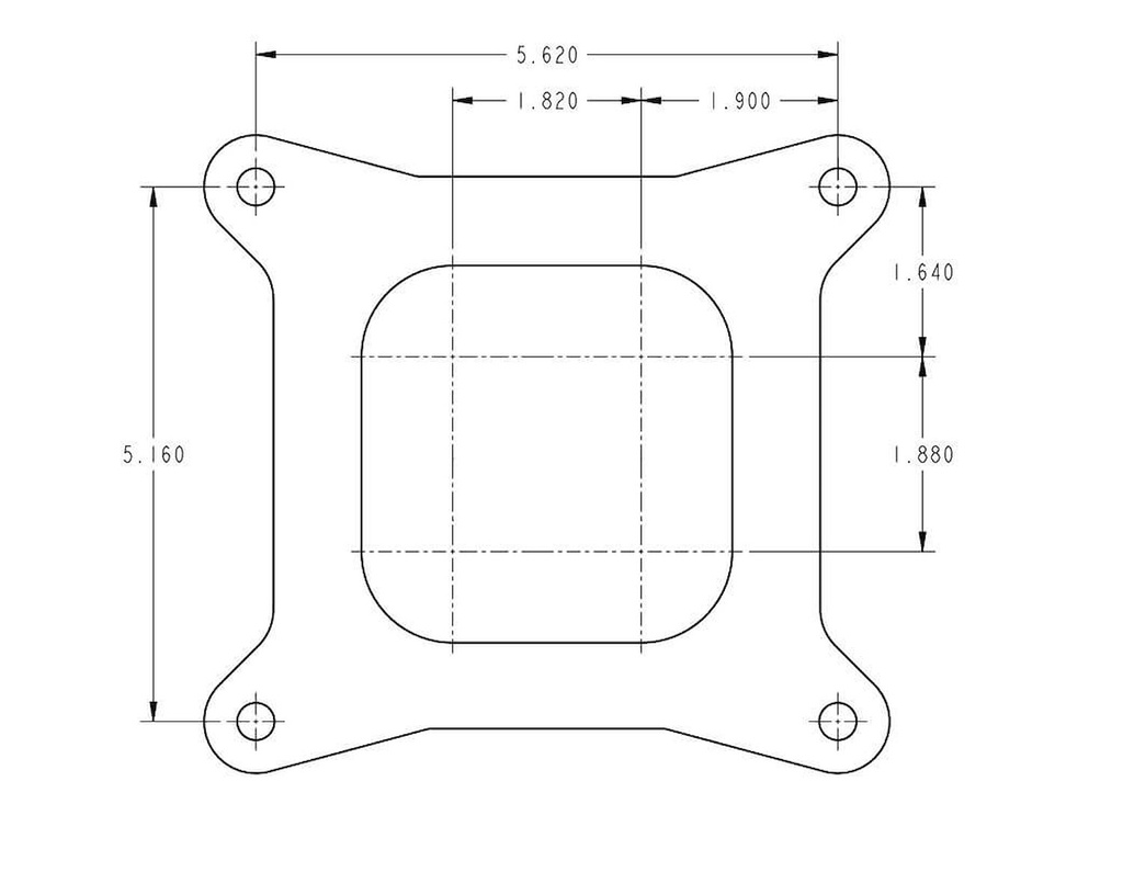
Quick Fuel Q-850: Q-Series 850cfm Drag Race Carb

https://eltopospeedshop.com/web/image/product.template/17799/image_1920?unique=4f0edcb

Mechanical Secondary Carburetors
Q-Series 850cfm Drag Race Carb

1,224.94 1224.94 USD 1,224.94

Not Available For Sale

This combination does not exist.

Quick Fuel

Terms and Conditions
30-day money-back guarantee
Shipping: 2-3 Business Days